05 Jeep Wrangler Fuse Box / Diagram 2005 Jeep Wrangler Fuse Diagram Full Version Hd Quality Fuse Diagram Nudiagrams1g Primavela It / 1997, 1998, 1999, 2000, 2001, 2002, 2003, 2004, 2005, 2006).
Dapatkan link
Facebook
X
Pinterest
Email
Aplikasi Lainnya
05 Jeep Wrangler Fuse Box / Diagram 2005 Jeep Wrangler Fuse Diagram Full Version Hd Quality Fuse Diagram Nudiagrams1g Primavela It / 1997, 1998, 1999, 2000, 2001, 2002, 2003, 2004, 2005, 2006).. Power distribution center relay & fuses are shipped directly from authorized mopar dealers and backed by the manufacturer's warranty. Parts fit for the following vehicle options. Who better to protect your vehicle than the company who built your vehicle? 1997, 1998, 1999, 2000, 2001, 2002, 2003, 2004, 2005, 2006) The fuses on a jeep jl wrangler are located under the hood and in a black box next to the battery.
2.4l, 2.5l and 4.0l (tj; It is dangerous to shift the selector. I own a 2005 jeep wrangler rubicon with 64,000 miles on it that i bought from out of state 3 years ago. Automobile jeep 2005 liberty owner's manual (424 pages) automobile jeep 2004 grand cherokee owner's manual (344 pages). Locate the power distribution center (pdc) in the engine compartment.
2005 Jeep Wrangler Fuse Box Fender Hss 1 Push Pull Volume 1 Tone Wiring Diagrams Atv Fordwire Warmi Fr from live.staticflickr.com The fuses on a jeep jl wrangler are located under the hood and in a black box next to the battery. This jeep tipm repair service is for a failing or faulty totally integrated power module (tipm) for jeep grand cherokee, liberty, and jeep wrangler vehicles.we also repair dodge, chrysler, and vw routan tipms, model years 2007 through 2016. Jeep wrangler 2005, fuse by mopar®. After payment, at the same day or next day we provide shipment (within 2 business days) when you buy our item you agreed to our terms and conditions. Location of the fuse box in a jeep wranglerthis video is for entertainment purposes only. Electrical components such as your map light, radio, heated seats, high beams, power windows all have fuses and if they suddenly stop working, chances are you have a fuse that has blown out. I think in the earlier xjs that was fuse 11 in the junction block & in the '04 tjs it is fuse 12 in the fuse block. I own a 2005 jeep wrangler rubicon with 64,000 miles on it that i bought from out of state 3 years ago.
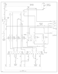
Fuse box diagram jeep wrangler engine:
Electrical components such as your map light, radio, heated seats, high beams, power windows all have fuses and if they suddenly stop working, chances are you have a fuse that has blown out. This box is known as the power distribution center and the top cover has a diagram of all the cartridge fuses, mini fuses and relays contained within it. 2005, 2006 interior fuses the fuse panel is on the left side of the instrument panel. There are 2 10 amp fuses, one for each front low beam light (#14 and 15 in the fuse box), so won´t expect for both to blow at the same time. When i went to smog my vehicle this year, i was told that i had a exhaust leak and needed to replace the exhaust manifold. Common tipm failure symptoms may include intermittent. If the fuse is good see if you are getting 12v power to the fuse which comes from the ignition switch. For the jeep grand cherokee (wk, wh) 2005, 2006, 2007, 2008, 2009, 2010, 2011 model year. Want your prized possession to look and perform the way it was designed to? Fuse box diagram jeep wrangler engine: Whether it be adding some extra electrical accessories, installing trailer wiring, upgrading any of the existing wiring, or replacing the existing fuse blocks in your jeep. Find great deals on ebay for jeep fuse box. We take great care about packaging of every item to ensure safe shipment to you.
I need to see the fuse box diagram for a 1991 jeep. As to which fuse, i don't know but if there is no power from that wire i would check the fuses. I have a 05 jeep wrangler the eng light is on comp says o2 senes b1 & b2 high voltage 250 km to a tank. Cigar lighter (power outlet) fuses in the jeep wrangler are the fuses m6, m7 amd m36 in the engine compartment fuse box. Find many great new & used options and get the best deals for 03 04 05 06 jeep wrangler fusebox fuse box relay unit module l1432 at the best online prices at ebay.
2005 Sorento Fuse Diagram Wiring Diagram Schematic Rich Monitor A Rich Monitor A Aliceviola It from www.ksmanual.com 4 cyl 2.4l, 6 cyl 4.0l. Every used car for sale comes with a free carfax report. The video above shows how to replace blown fuses in the interior fuse box of your 2005 jeep wrangler in addition to the fuse panel diagram location. Find many great new & used options and get the best deals for 03 04 05 06 jeep wrangler fusebox fuse box relay unit module l1432 at the best online prices at ebay. 2005, 2006 interior fuses the fuse panel is on the left side of the instrument panel. Parts fit for the following vehicle options. Refer to fuse panel in section 7 of this manual. Fuse box diagram (location and assignment of electrical fuses and relays) for jeep wrangler (tj;
I have a 05 jeep wrangler the eng light is on comp says o2 senes b1 & b2 high voltage 250 km to a tank.
Whether it be adding some extra electrical accessories, installing trailer wiring, upgrading any of the existing wiring, or replacing the existing fuse blocks in your jeep. 2005, 2006 interior fuses the fuse panel is on the left side of the instrument panel. There are 2 10 amp fuses, one for each front low beam light (#14 and 15 in the fuse box), so won´t expect for both to blow at the same time. 1997, 1998, 1999, 2000, 2001, 2002, 2003, 2004, 2005, 2006). Trust us with all your electrical needs and don't settle for less. Fuse box diagram jeep wrangler engine: The video above shows how to replace blown fuses in the interior fuse box of your 2006 jeep wrangler in addition to the fuse panel diagram location. Automobile jeep 2005 liberty owner's manual (424 pages) automobile jeep 2004 grand cherokee owner's manual (344 pages). It is dangerous to shift the selector. When i went to smog my vehicle this year, i was told that i had a exhaust leak and needed to replace the exhaust manifold. The radio interrupts when i use the plow. Mopar ® vehicle protection is the only service contract provider backed by fca and honored at all chrysler, dodge, jeep ®, ram and fiat ® dealerships across north america. Moparpartsgiant.com offers the lowest prices for genuine 2007 jeep wrangler parts.parts like.
Want your prized possession to look and perform the way it was designed to? So have a look at this relay first. 2005, 2006 interior fuses the fuse panel is on the left side of the instrument panel. Related manuals for jeep 2005 wrangler. There is however also a single lowbeam relay, which gets its signal from the body control module.
Great 2005 Jeep Liberty Fuse Box Diagram Jeep Cherokee Jeep Cherokee Sport 2001 Jeep Cherokee from i.pinimg.com The radio interrupts when i use the plow. If the fuse is good see if you are getting 12v power to the fuse which comes from the ignition switch. Whether it be adding some extra electrical accessories, installing trailer wiring, upgrading any of the existing wiring, or replacing the existing fuse blocks in your jeep. Read and understand your user/owner's manual before operating on yo. Moparpartsgiant.com offers the lowest prices for genuine 2005 jeep wrangler parts.parts like. 1997, 1998, 1999, 2000, 2001, 2002, 2003, 2004, 2005, 2006) Common tipm failure symptoms may include intermittent. 2005, 2006 interior fuses the fuse panel is on the left side of the instrument panel.
The fuses on a jeep jl wrangler are located under the hood and in a black box next to the battery.
The fuse panel is on the lower instrument. Multi function switch, no fog lights; For the jeep grand cherokee (wk, wh) 2005, 2006, 2007, 2008, 2009, 2010, 2011 model year. 2005, 2006 interior fuses the fuse panel is on the left side of the instrument panel. Related manuals for jeep 2005 wrangler. Mopar ® vehicle protection is the only service contract provider backed by fca and honored at all chrysler, dodge, jeep ®, ram and fiat ® dealerships across north america. **engine fuse box** relay box engine compartment 05 jeep wrangler 4l manual. So have a look at this relay first. Who better to protect your vehicle than the company who built your vehicle? Every used car for sale comes with a free carfax report. A tipm or totally integrated power module failure commonly appears as fuel or battery related issue. 1997, 1998, 1999, 2000, 2001, 2002, 2003, 2004, 2005, 2006) Whether it be adding some extra electrical accessories, installing trailer wiring, upgrading any of the existing wiring, or replacing the existing fuse blocks in your jeep.
Ardunio Relay : Amazon Com Tolako 5v Relay Module 5v Indicator Light Led 1 Channel Relay Module For Arduino Arm Pic Avr Mcu Computers Accessories / A relay accomplishes this by using the 5v outputted from an arduino pin to energize the electromagnet. . In the past, i used to build a circuit just like the above. Controlling a relay module with the arduino is as simple as controlling any other output as we'll see there are other relay modules that are powered using 3.3v, which is ideal for esp32, esp8266, and. First we will control a simple led then we will control a light bulb using it. * a relay basically allows a relatively low voltage to easily control higher power circuits. The ratings are usually printed on the relay case. Unfortunately, you can't as the arduino operates at 5v which means it can't control these higher however, with the help of a relay module to switch the high voltage, you can now use the arduino to. A relay accomplishes this by usi...
Sea Ray Relays / Cards Complete Day One Of Multi Events At Sea Ray Relays University Of Louisville Athletics / With 8' 6 (2.59 m) beam, the 26' 7 (8.10 m) loa sundancer can be towed. . Sell your sea ray fast with a free photo advert. View & download of more than 97 sea ray pdf user manuals, service manuals, operating guides. The sea ray® sdx® is the floating epitome of time well spent. Lietuvos ieties metikÄ—s pergalÄ— jav (1). It currently operates as part of the brunswick boat group, a division of brunswick corporation. You appear to be blocking ads. 1991 sea ray boats values, specs and prices. Sea ray boats is an american manufacturer that produces recreational motorboats. (284 l) of fuel, sea ray's 260 sundancer will take you almost anywhere you want to cruise, or at least anywhere you can drive: Sea ray boats, knoxville, tennessee. Babits Inches Closer To Emu Pole Vau...
2004 Vw 1 8T Engine Diagram - 2004 Audi A4 1 8t Engine Diagram Wiring Diagrams Blue Metal Blue Metal Alcuoredeldiabete It - Get the best deals on complete engines for 2004 volkswagen passat when you shop the largest online selection at ebay.com. . Eh, didn't have any part numbers or all of that lovely crap, plus can't find a decent vac diagram. About the mk4 1.8t engine. 2004 vw passat 1.8t o2 sensor wiring diagram 18.09.2018 18.09.2018 4 comments on 2004 vw passat 1.8t o2 sensor wiring diagram so i put in a wideband gauge and was trying to find the color schematic for the oe wideband sensors turns out can't find anywhere on the web. 1781 cc compression ratio 9.3:1 Diagram 1 8t wiring full version hd quality panelsetc comprensivomaglieold it. Vac/cooling hose diagrams for 1.8t; Vw 1 8t vacuum diagram furthermore watch also 1 8t wastegate location as well as watch as well as audi tt engine diagram in addition volkswagen sharan 2 0 specs and images along ...
Komentar
Posting Komentar