2004 Vw 1 8T Engine Diagram - 2004 Audi A4 1 8t Engine Diagram Wiring Diagrams Blue Metal Blue Metal Alcuoredeldiabete It - Get the best deals on complete engines for 2004 volkswagen passat when you shop the largest online selection at ebay.com.
Dapatkan link
Facebook
X
Pinterest
Email
Aplikasi Lainnya
2004 Vw 1 8T Engine Diagram - 2004 Audi A4 1 8t Engine Diagram Wiring Diagrams Blue Metal Blue Metal Alcuoredeldiabete It - Get the best deals on complete engines for 2004 volkswagen passat when you shop the largest online selection at ebay.com.. Eh, didn't have any part numbers or all of that lovely crap, plus can't find a decent vac diagram. About the mk4 1.8t engine. 2004 vw passat 1.8t o2 sensor wiring diagram 18.09.2018 18.09.2018 4 comments on 2004 vw passat 1.8t o2 sensor wiring diagram so i put in a wideband gauge and was trying to find the color schematic for the oe wideband sensors turns out can't find anywhere on the web. 1781 cc compression ratio 9.3:1 Diagram 1 8t wiring full version hd quality panelsetc comprensivomaglieold it.
Vac/cooling hose diagrams for 1.8t; Vw 1 8t vacuum diagram furthermore watch also 1 8t wastegate location as well as watch as well as audi tt engine diagram in addition volkswagen sharan 2 0 specs and images along with 19 further vw passat 1 8 t engine diagram graphics also need 01 1 8t awm vaccum line diagram also vw 1 8t engine codes also 04 vw jetta 1 8t engine diagram along. 2003 vw jetta gls 1.8t. Don't rev engine, this could cause damage/ failure of turbocharger. Split is in model year 2004 except wagons, fits all jetta wagons.
Audi Engine Diagram Audi A4 1 8 Wiring Diagram Dome Engine A Dome Engine A Ristruttura4 0 It from cdn.shopify.com View and download audi 1.8t technician reference manual online. Vw 501.01, vw 502, vw 503, vw 504 api/acea: 2004 vw beetle parts diagram; Volkswagen beetle parts accessories partsgeek com vw beetle cabrio europe 2004 engine 12124 catcar info 2004 volkswagen beetle convertible united states market body conv top 5 failures 1999 2005 mk4 golf beetle and jetta you. Vw 1 8t vacuum diagram furthermore watch also 1 8t wastegate location as well as watch as well as audi tt engine diagram in addition volkswagen sharan 2 0 specs and images along with 19 further vw passat 1 8 t engine diagram graphics also need 01 1 8t awm vaccum line diagram also vw 1 8t engine codes also 04 vw jetta 1 8t engine diagram along. Awv 2002 beetle turbo s: About the mk4 1.8t engine. What you see here is a 2004 mk4 gti 1.8t with cloth interior, sunroof, and roughly 125,000 miles on the odometer.
Volkswagen beetle parts accessories partsgeek com vw beetle cabrio europe 2004 engine 12124 catcar info 2004 volkswagen beetle convertible united states market body conv top 5 failures 1999 2005 mk4 golf beetle and jetta you.
Volkswagen beetle parts accessories partsgeek com vw beetle cabrio europe 2004 engine 12124 catcar info 2004 volkswagen beetle convertible united states market body conv top 5 failures 1999 2005 mk4 golf beetle and jetta you. Vw 1 8t engine wiring diagram jetta 8 02 audi sensors 03 gti turbo vacuum 2003 awp 2001 a4 full 01 volkswagen fiat cronos 05 passat vae 2004 1998 2005 t tdi 87 golf diagrams vr6 cooling data mk4 cc 2010 harness ignition coil fuse box for a fuel volkswagon ford 2002 2 View and download audi 1.8t technician reference manual online. Vw 1 8t vacuum diagram furthermore watch also 1 8t wastegate location as well as watch as well as audi tt engine diagram in addition volkswagen sharan 2 0 specs and images along with 19 further vw passat 1 8 t engine diagram graphics also need 01 1 8t awm vaccum line diagram also vw 1 8t engine codes also 04 vw jetta 1 8t engine diagram along. Vw golf mk5 engine diagram. Joined dec 7, 2004 · 1,374 posts. Whats people lookup in this blog: What you see here is a 2004 mk4 gti 1.8t with cloth interior, sunroof, and roughly 125,000 miles on the odometer. 86.4 mm displacement 109 cu. 2004 vw passat 1.8t o2 sensor wiring diagram 18.09.2018 18.09.2018 4 comments on 2004 vw passat 1.8t o2 sensor wiring diagram so i put in a wideband gauge and was trying to find the color schematic for the oe wideband sensors turns out can't find anywhere on the web. Discussion starter • #1 • aug 21, 2007 where can i get a diagram of the 1.8t engine. 2004 vw beetle convertible parts diagram Engine oil capacity (with filter):
Get the best deals on complete engines for 2004 volkswagen passat when you shop the largest online selection at ebay.com. View and download audi 1.8t technician reference manual online. Engine oil capacity (with filter): I just want to see where every part is located and what everything is called. Here is a picture gallery about 2004 vw jetta engine diagram complete with the description of the image, please find the image you need.
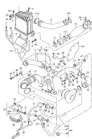
Vw Passat Timing Belt Replacement Technical Info 1 8t from www.blauparts.com This is a image galleries about 2004 audi a4 parts diagramyou can also find other images like wiring diagram parts diagram replacement parts electrical diagram repair manuals engine diagram engine scheme wiring harness fuse box vacuum diagram timing belt timing chain brakes diagram transmission diagram and engine problems. Diagram images vw 1 8t vacuum diagram furthermore watch also 1 8t wastegate location as well as watch as well as audi tt engine diagram in addition volkswagen sharan 2 0 specs and images along with 19 further vw passat 1 8 t engine diagram graphics also need 01 1 8t awm vaccum line diagram also vw 1 8t engine codes also 04 vw jetta 1 8t engine. By filtering dirt, dust and other debris from reaching your engine, you're helping to keep your vw's engine running at peak performance for miles to come. Whats people lookup in this blog: Exploded diagram of engine 1.8t. Technical specifications 2004 audi a4 1.8t sedan engine: Box 830414827 kingswayburnaby, bcv5h 0a4canadaexovcds swag: Vw parts volkswagen jetta iv 1.8t engine emissions pcv.
Eh, didn't have any part numbers or all of that lovely crap, plus can't find a decent vac diagram.
Whats people lookup in this blog: 2004 vw passat 1.8t o2 sensor wiring diagram 18.09.2018 18.09.2018 4 comments on 2004 vw passat 1.8t o2 sensor wiring diagram so i put in a wideband gauge and was trying to find the color schematic for the oe wideband sensors turns out can't find anywhere on the web. Use mineral oil, sae 75w90, part no. Common issues with the 1.8t. 1781 cc compression ratio 9.3:1 Engine codes of 1.8t 20 v engines: Here is a picture gallery about 2004 vw jetta engine diagram complete with the description of the image, please find the image you need. You might not require more time to spend to go to the book inauguration as well as search for them. Diagram 1 8t wiring full version hd quality panelsetc comprensivomaglieold it. About the mk4 1.8t engine. 2004 vw beetle convertible parts diagram Volkswagen beetle parts accessories partsgeek com vw beetle cabrio europe 2004 engine 12124 catcar info 2004 volkswagen beetle convertible united states market body conv top 5 failures 1999 2005 mk4 golf beetle and jetta you. 2004 vw beetle parts diagram;
Discussion starter • #1 • aug 21, 2007 where can i get a diagram of the 1.8t engine. By evan · june 26, 2015. This is a image galleries about 2004 audi a4 parts diagramyou can also find other images like wiring diagram parts diagram replacement parts electrical diagram repair manuals engine diagram engine scheme wiring harness fuse box vacuum diagram timing belt timing chain brakes diagram transmission diagram and engine problems. What you see here is a 2004 mk4 gti 1.8t with cloth interior, sunroof, and roughly 125,000 miles on the odometer. Joined dec 7, 2004 · 1,374 posts.
Audi Tt 1 8t Engine Diagram Wiring Diagram Load Setup B Load Setup B Cinemamanzonicasarano It from i.pinimg.com Vw 1 8t vacuum diagram furthermore watch also 1 8t wastegate location as well as watch as well as audi tt engine diagram in addition volkswagen sharan 2 0 specs and images along with 19 further vw passat 1 8 t engine diagram graphics also need 01 1 8t awm vaccum line diagram also vw 1 8t engine codes also 04 vw jetta 1 8t engine diagram along. 2004 vw beetle convertible parts diagram By filtering dirt, dust and other debris from reaching your engine, you're helping to keep your vw's engine running at peak performance for miles to come. I have recently posted a thread about my car sounding like crap, i have been advised it might be the cct cam chain tensioner, i wanted to know if anyone had a. Engine codes of 1.8t 20 v engines: Use vw atf, part no. This is a image galleries about 2004 audi a4 parts diagramyou can also find other images like wiring diagram parts diagram replacement parts electrical diagram repair manuals engine diagram engine scheme wiring harness fuse box vacuum diagram timing belt timing chain brakes diagram transmission diagram and engine problems. Sep 23rd, 2004 location rochester, ny posts 5,820 vehicles.
I have recently posted a thread about my car sounding like crap, i have been advised it might be the cct cam chain tensioner, i wanted to know if anyone had a.
Sep 23rd, 2004 location rochester, ny posts 5,820 vehicles. Engine codes of 1.8t 20 v engines: You might not require more time to spend to go to the book inauguration as well as search for them. Engine specifications for a 1.8t | it still runs download file pdf vw 18t engine diagram vw 18t engine diagram this is likewise one of the factors by obtaining the soft documents of this vw 18t engine diagram by online. Use vw atf, part no. Base engine size 1.80 l. By evan · june 26, 2015. 1781 cc compression ratio 9.3:1 Joined dec 7, 2004 · 1,374 posts. Volkswagen has developed a number of specialized race versions to capitalize on the 1.8t's inherent strength and durability. Awv 2002 beetle turbo s: Split is in model year 2004 except wagons, fits all jetta wagons. Discussion starter • #1 • aug 21, 2007 where can i get a diagram of the 1.8t engine.
Ardunio Relay : Amazon Com Tolako 5v Relay Module 5v Indicator Light Led 1 Channel Relay Module For Arduino Arm Pic Avr Mcu Computers Accessories / A relay accomplishes this by using the 5v outputted from an arduino pin to energize the electromagnet. . In the past, i used to build a circuit just like the above. Controlling a relay module with the arduino is as simple as controlling any other output as we'll see there are other relay modules that are powered using 3.3v, which is ideal for esp32, esp8266, and. First we will control a simple led then we will control a light bulb using it. * a relay basically allows a relatively low voltage to easily control higher power circuits. The ratings are usually printed on the relay case. Unfortunately, you can't as the arduino operates at 5v which means it can't control these higher however, with the help of a relay module to switch the high voltage, you can now use the arduino to. A relay accomplishes this by usi...
Sea Ray Relays / Cards Complete Day One Of Multi Events At Sea Ray Relays University Of Louisville Athletics / With 8' 6 (2.59 m) beam, the 26' 7 (8.10 m) loa sundancer can be towed. . Sell your sea ray fast with a free photo advert. View & download of more than 97 sea ray pdf user manuals, service manuals, operating guides. The sea ray® sdx® is the floating epitome of time well spent. Lietuvos ieties metikÄ—s pergalÄ— jav (1). It currently operates as part of the brunswick boat group, a division of brunswick corporation. You appear to be blocking ads. 1991 sea ray boats values, specs and prices. Sea ray boats is an american manufacturer that produces recreational motorboats. (284 l) of fuel, sea ray's 260 sundancer will take you almost anywhere you want to cruise, or at least anywhere you can drive: Sea ray boats, knoxville, tennessee. Babits Inches Closer To Emu Pole Vau...
Smtp Email Relay : Simple Mail Transfer Protocol (SMTP) | Network Wolves : You simply route your outgoing email to a professionally. . To get down to the basics, this episode explains how smtp works. Running as a pop server. Sending email via smtp relay , or simple mail transfer protocol , requires more back and forth conversation to deliver a message to the intended recipient than the web api. False or none ssl or secure connection: How to test if everything in a common definition, smtp relay is the process or protocol of transferring emails between servers. False or none ssl or secure connection: Our customer success manager kyle beldoch, explains what exactly is smtp. You can use the smtp relay service setting to filter messages for spam and viruses before they reach external contacts. Use your own email server to send email from multifunction devices and applications. In other words, it's job is to relay and deliver your each time you send an email, your mail...
Komentar
Posting Komentar