Mitsubishi Plc Wiring Diagram / Mitsubishi Plc Input And Output Wiring Diagram Plc One - Youtube me channel name (khatu shyam plc program and shyam plc program.) all v.
Dapatkan link
Facebook
X
Pinterest
Email
Aplikasi Lainnya
Mitsubishi Plc Wiring Diagram / Mitsubishi Plc Input And Output Wiring Diagram Plc One - Youtube me channel name (khatu shyam plc program and shyam plc program.) all v.. Eliminate each part of the diagram in sections until you discover the short in the wiring. Failure to do so may cause fire, equipment failures or malfunctions. Fx3g input wiring caution this notice is wholly designed to explain the fx3g sink/source input wiring variation to users of the exclusive sink input type model. From entering the module during wiring. Youtube me channel name (khatu shyam plc program and shyam plc program.) all v.
Mitsubishi plc wiring diagram pdf.view and download mitsubishi fx3g 14mres installation manual online. A wiring diagram is a simplified conventional photographic depiction of an electric circuit. Fx0 / fx0n hardware manual jy992d47501 this manual contains written hardware explanation of wiring, installation and specification, etc. Mitsubishi montero 2003 circuit diagrams 1. Remove it for heat dissipation before system operation.
Mitsubishi Electrical Diagrams Schema Wiring Diagrams Skip Class A Skip Class A Cultlab It from i.pinimg.com • for the terminals of fx3g series plc, m3 screws are used. Fx3u input wiring caution this notice is wholly designed to explain the fx3u (dc input type) sink/source input wiring variation to users of the exclusive sink input type model. Each diagram that's requested needs to be. Mitsubishi electric fa site introduces information in latest information, product information, technological material, and the catalog, etc. • perform class d grounding. Fx3g external input wiring can be either sink method or source method. Each diagram that's requested needs to be hand selected and sent. Eliminate each part of the diagram in sections until you discover the short in the wiring.
Fx3g external input wiring can be either sink method or source method.
Mitsubishi montero 2003 circuit diagrams 3. Mitsubishi electric programmable controllers must be installed in control panels. Electrical wiring diagram star delta control and power circuit using mitsubishi plc program this article is intended to diagrammatically demonstrate the concept of the wiring principle of a star delta (wye delta) motor control and power circuit when using a plc (programmable logic controller) ladder program to control the switching of a 440. Failure to do so may cause fire, equipment failures or malfunctions. Mitsubishi electric fa site introduces information in latest information, product information, technological material, and the catalog, etc. Youtube me channel name (khatu shyam plc program and shyam plc program.) all v. We have collected lots of images, with any luck this photo is useful for you, and also help you in finding the answer you are trying to find. Not all mitsubishi plcs can be connected directly to a programming pc. A plc progr am created by the format of circuit diagram (ladder diagram) is also stored in the program memory of the plc with the format of instruction list (program list). Connect the main power supply to the power supply module in the control panel through a relay terminal block. Fx3u input wiring caution this notice is wholly designed to explain the fx3u (dc input type) sink/source input wiring variation to users of the exclusive sink input type model. Hmi terminal cable connector wiring diagram plc terminal cable connector fig. Wire the red lamp in figure 2 by connecting the wires as follows:
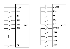
A wiring diagram is a simplified conventional photographic depiction of an electric circuit. Fx3g external input wiring can be either sink method or source method. Mitsubishi plc input and output Ł be sure to remove the dust proof sheet from the plc's ventilation port when installation work is completed. Holla friends this video in mitsubishi plc sensor npn with pnp wiring diagram.
Rm 3803 Mitsubishi Plc Programming Training Mitsubishi Circuit Diagrams Schematic Wiring from static-assets.imageservice.cloud Mitsubishi plc wiring diagram pdf.view and download mitsubishi fx3g 14mres installation manual online. They are intended as aids to help explain the installation, operation, programming and use of the programmable logic controllers of the melsec fx1s,fx1n,fx2n,fx2nc,fx3g,fx3gc,fx3ge, fx3s,fx3u and fx3uc series. Fx3u external input wiring can be either sink method or source method. Fx3g installation manual 4.1 wiring 4.2 grounding n cable end treatment and tightening torque ground the plc as stated below. The displayed instruments are on / off or digital in nature, but the plc signal is analogous. Variety of mitsubishi mini split system wiring diagram. Remove it for heat dissipation before system operation. A programmable logic controller is a specialized computer used to control machines and processes.
We have collected lots of images, with any luck this photo is useful for you, and also help you in finding the answer you are trying to find.
Mitsubishi plc wiring diagram pdf.view and download mitsubishi fx3g 14mres installation manual online. Eliminate each part of the diagram in sections until you discover the short in the wiring. Connect the main power supply to the power supply module in the control panel through a relay terminal block. The wiring diagram demonstrates straight (hard wired) linked inputs and outputs to the plc. Do not remove the film during wiring. Once connected, it will stay connected even when you move the wire. Failure to do so may cause fire, equipment failures or malfunctions. Youtube me channel name (khatu shyam plc program and shyam plc program.) all v. Wire the red lamp in figure 2 by connecting the wires as follows: Fx3u input wiring caution this notice is wholly designed to explain the fx3u (dc input type) sink/source input wiring variation to users of the exclusive sink input type model. Mitsubishi montero 2003 circuit diagrams 1. The displayed instruments are on / off or digital in nature, but the plc signal is analogous. They are intended as aids to help explain the installation, operation, programming and use of the programmable logic controllers of the melsec fx1s,fx1n,fx2n,fx2nc,fx3g,fx3gc,fx3ge, fx3s,fx3u and fx3uc series.
Mitsubishi electric programmable controllers must be installed in control panels. Regarding the fx0 and fx0n series programmable controllers. For product supplied together with a dust proof sheet, the sheet should be affixed to the ventilation slits before the installation and wiring work in order to block foreign objects su ch as cutting and wiring debris. The serial cable layout to connect this converter to a pc is shown in this diagram. Our courses include cnc programming, vmc programming, ca.
Plc Electrical Panel Wiring Wiring Library from electrical-engineering-portal.com 111 ladder diagrams as an introduction to ladder diagrams consider the simple wiring diagram for an electrical circuit in figure 111a. A wiring diagram is a simplified conventional photographic depiction of an electric circuit. The serial cable layout to connect this converter to a pc is shown in this diagram. Green wire to no.5 terminal blue wire to no.6 terminal brown wire to no.1 terminal red wire to no.2 terminal orange wire to no.3 terminal this refers to a diagram that is as close as possible to the real thing and that shows circuit connections and devices used for the circuit. Regarding the fx0 and fx0n series programmable controllers. Failure to do so may cause fire, equipment failures or malfunctions. Mitsubishi electric programmable controllers must be installed in control panels. Wire the red lamp in figure 2 by connecting the wires as follows:
Youtube me channel name (khatu shyam plc program and shyam plc program.) all v.
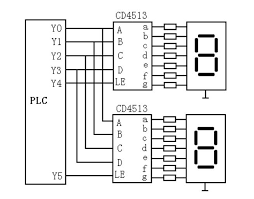
Green wire to no.5 terminal blue wire to no.6 terminal brown wire to no.1 terminal red wire to no.2 terminal orange wire to no.3 terminal this refers to a diagram that is as close as possible to the real thing and that shows circuit connections and devices used for the circuit. Mitsubishi plc input and output Our courses include cnc programming, vmc programming, ca. It shows the elements of the circuit as simplified forms, and the power and also signal links between the tools. Do not remove the film during wiring. Hmi terminal cable connector wiring diagram plc terminal cable connector fig. Figure 5 below shows a schematic diagram for a plc based motor control system, similar to the previous motor control example. Fx3g input wiring caution this notice is wholly designed to explain the fx3g sink/source input wiring variation to users of the exclusive sink input type model. Mitsubishi montero 2003 circuit diagrams 3. Fx3g installation manual 4.1 wiring 4.2 grounding n cable end treatment and tightening torque ground the plc as stated below. Regarding the fx1s series programmable controller. Holla friends this video in mitsubishi plc sensor npn with pnp wiring diagram. Reducing tco *1, increasing reliability and reusability of existing assets.
Ardunio Relay : Amazon Com Tolako 5v Relay Module 5v Indicator Light Led 1 Channel Relay Module For Arduino Arm Pic Avr Mcu Computers Accessories / A relay accomplishes this by using the 5v outputted from an arduino pin to energize the electromagnet. . In the past, i used to build a circuit just like the above. Controlling a relay module with the arduino is as simple as controlling any other output as we'll see there are other relay modules that are powered using 3.3v, which is ideal for esp32, esp8266, and. First we will control a simple led then we will control a light bulb using it. * a relay basically allows a relatively low voltage to easily control higher power circuits. The ratings are usually printed on the relay case. Unfortunately, you can't as the arduino operates at 5v which means it can't control these higher however, with the help of a relay module to switch the high voltage, you can now use the arduino to. A relay accomplishes this by usi...
Sea Ray Relays / Cards Complete Day One Of Multi Events At Sea Ray Relays University Of Louisville Athletics / With 8' 6 (2.59 m) beam, the 26' 7 (8.10 m) loa sundancer can be towed. . Sell your sea ray fast with a free photo advert. View & download of more than 97 sea ray pdf user manuals, service manuals, operating guides. The sea ray® sdx® is the floating epitome of time well spent. Lietuvos ieties metikės pergalė jav (1). It currently operates as part of the brunswick boat group, a division of brunswick corporation. You appear to be blocking ads. 1991 sea ray boats values, specs and prices. Sea ray boats is an american manufacturer that produces recreational motorboats. (284 l) of fuel, sea ray's 260 sundancer will take you almost anywhere you want to cruise, or at least anywhere you can drive: Sea ray boats, knoxville, tennessee. Babits Inches Closer To Emu Pole Vau...
2004 Vw 1 8T Engine Diagram - 2004 Audi A4 1 8t Engine Diagram Wiring Diagrams Blue Metal Blue Metal Alcuoredeldiabete It - Get the best deals on complete engines for 2004 volkswagen passat when you shop the largest online selection at ebay.com. . Eh, didn't have any part numbers or all of that lovely crap, plus can't find a decent vac diagram. About the mk4 1.8t engine. 2004 vw passat 1.8t o2 sensor wiring diagram 18.09.2018 18.09.2018 4 comments on 2004 vw passat 1.8t o2 sensor wiring diagram so i put in a wideband gauge and was trying to find the color schematic for the oe wideband sensors turns out can't find anywhere on the web. 1781 cc compression ratio 9.3:1 Diagram 1 8t wiring full version hd quality panelsetc comprensivomaglieold it. Vac/cooling hose diagrams for 1.8t; Vw 1 8t vacuum diagram furthermore watch also 1 8t wastegate location as well as watch as well as audi tt engine diagram in addition volkswagen sharan 2 0 specs and images along ...
Komentar
Posting Komentar