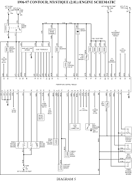
98 Ford Contour Wiring Diagram / 1998 Ford Contour Mercury Mystique Electrical Troubleshooting Manual 98 Wiring Ebay - 800 x 600 px, source:
Dapatkan link
Facebook
X
Pinterest
Email
Aplikasi Lainnya
98 Ford Contour Wiring Diagram / 1998 Ford Contour Mercury Mystique Electrical Troubleshooting Manual 98 Wiring Ebay - 800 x 600 px, source:. .ford windstar se ford windstar sel ford zx2 ford aerostar ford aspire ford bronco ford cab & chassis ford club wagon ford contour ford crown victoria ford cutaway ford econoline ford edge ford escape ford escort ford excursion ford expedition ford. A 1998 ford contour 2.5 liter engine vacuum hose routing diagram can be obtained from most ford dealerships. Sierra electric circuit diagram of a diesel engine. 98 ford contour wiring diagram need help with the wiring schematics of my vehicle. Do not hook the trailer lamps directly into the vehicle's wiring system.
I have a 98' contour and the vacuum diagram is displayed under the hood. Pictures of 1998 ford contour wiring diagram solved 98 fixya collection of 1998 ford contour wiring diagram for library. Cargo engine management system schematics. Ford contour gl 1996 wiring diagrams sch. 98 ford contour 2.0 belt routing.
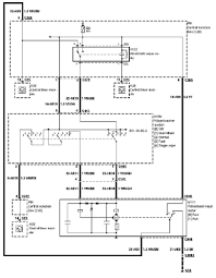
Ford Contour 98 1998 Factory Car Stereo Wiring Installation Harness Oem Radio Install Wire from www.carxtc.com Pictures of 1998 ford contour wiring diagram solved 98 fixya collection of 1998 ford contour wiring diagram for library. This site helps you to save the earth from electronic waste! A 1998 ford contour 2.5 liter engine vacuum hose routing diagram can be obtained from most ford dealerships. Sierra electric circuit diagram of a diesel engine. Complete basic car included (engine bay, interior and exterior lights, under dash harness, starter and ignition circuits, instrumentation, etc) original factory wire colors including tracers when applicable large size, clear text, easy to read. 98 ford contour 2.0 belt routing. Widi cad is a project which tries to deliver an open source wiring diagram cad. Maintenance and care vehicle care washing your vehicle only use car washing areas that have environmentally friendly drainage systems.
Ford contour gl 1996 wiring diagrams sch.
Please select the exact year of your ford contour to view your vehicle sepecific diagram. This typical ignition system circuit diagram applies only to the 1997, 1997, and 1999 4.6l v8 ford f150 and f250 only. The following tutorials will help you with test the ignition coil packs: Cargo abs asr system wiring diagram. You could originate from an internet search engine. View and download ford 1998 contour manual online. Solved 98 ford contour wiring diagram fixya. How to test the 2 coil packs. 1998 ford contour radio wiring diagram base website eyestructurediagram creavap fr ne 4165 labeledheartdiagram dennie de for a 1999 2000 plymouth breeze engine andre drwing turismoderuta. Ignition coil packs, ckp sensor, and cam sensor circuits. 1998 ford contour wiring diagram. Do not hook the trailer lamps directly into the vehicle's wiring system. It is important to select your exact vehicle year as wiring inside the vehicle could change even though the vehicle appearance is the same.
1998 contour automobile pdf manual download. How to test the 2 coil packs. 1998 ford contour radio wiring diagram base website eyestructurediagram creavap fr ne 4165 labeledheartdiagram dennie de for a 1999 2000 plymouth breeze engine andre drwing turismoderuta. 1998 ford contour wiring diagram. Contour gl 1995 ford contour lx 1995 ford contour se 1995 ford crown victoria 1995 ford crown victoria lx 1995 ford crown victoria police 1997 ford contour lx 1997 ford contour se 1997 ford crown victoria 1997 ford crown victoria lx 1997 ford crown victoria police interceptor.
98 Ford Contour Wiring Diagram Wiring Diagram Networks from lh3.googleusercontent.com Do not hook the trailer lamps directly into the vehicle's wiring system. This (like all of our manuals) is. A 1998 ford contour 2.5 liter engine vacuum hose routing diagram can be obtained from most ford dealerships. 1998 ford contour wiring diagram. 1941 1942 ford pickup truck color wiring diagram. A wiring diagram is a simple graph of the physical connections and also physical format of an electric. You could originate from an internet search engine. Service manuals, schematics, eproms for electrical technicians.
.ford windstar se ford windstar sel ford zx2 ford aerostar ford aspire ford bronco ford cab & chassis ford club wagon ford contour ford crown victoria ford cutaway ford econoline ford edge ford escape ford escort ford excursion ford expedition ford.
98 explorer wiring diagram online wiring diagram. Ford cargo truck wiring diagrams. Widi cad is a project which tries to deliver an open source wiring diagram cad. Ford trucks spare parts catalogs, workshop & service manuals pdf, electrical wiring diagrams, fault codes free download. Whatever you are, we aim to bring the content that matches exactly what you are trying to find. Pictures of 1998 ford contour wiring diagram solved 98 fixya collection of 1998 ford contour wiring diagram for library. Ford contour gl 1996 wiring diagrams sch. This (like all of our manuals) is. You create your projects just like drawing a. 98 ford contour wiring diagram need help with the wiring schematics of my vehicle. This site helps you to save the earth from electronic waste! 98 ford contour wiring diagram. Ignition coil packs, ckp sensor, and cam sensor circuits.
Contour gl 1995 ford contour lx 1995 ford contour se 1995 ford crown victoria 1995 ford crown victoria lx 1995 ford crown victoria police 1997 ford contour lx 1997 ford contour se 1997 ford crown victoria 1997 ford crown victoria lx 1997 ford crown victoria police interceptor. This (like all of our manuals) is. 1941 1942 ford pickup truck color wiring diagram. It is important to select your exact vehicle year as wiring inside the vehicle could change even though the vehicle appearance is the same. Ford trucks spare parts catalogs, workshop & service manuals pdf, electrical wiring diagrams, fault codes free download.
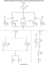
96 Ford Contour Fuse Diagram 2011 Toyota Fuse Box Diagram Usba Cable Ros Wirings Lanticocasaleroma It from lh6.googleusercontent.com Replacing the cabin filter on the ford mustang v. The following tutorials will help you with test the ignition coil packs: Pictures of 1998 ford contour wiring diagram solved 98 fixya collection of 1998 ford contour wiring diagram for library. Mustang spark plug wires ebay. Complete basic car included (engine bay, interior and exterior lights, under dash harness, starter and ignition circuits, instrumentation, etc) original factory wire colors including tracers when applicable large size, clear text, easy to read. Do not hook the trailer lamps directly into the vehicle's wiring system. This typical ignition system circuit diagram applies only to the 1997, 1997, and 1999 4.6l v8 ford f150 and f250 only. Vehicle wiring search for a ford contour.
Contour gl 1995 ford contour lx 1995 ford contour se 1995 ford crown victoria 1995 ford crown victoria lx 1995 ford crown victoria police 1997 ford contour lx 1997 ford contour se 1997 ford crown victoria 1997 ford crown victoria lx 1997 ford crown victoria police interceptor.
Rule a matic float switch wiring diagram. Sierra electric circuit diagram of a diesel engine. I have a 98' contour and the vacuum diagram is displayed under the hood. Service manuals, schematics, eproms for electrical technicians. 98 explorer wiring diagram online wiring diagram. Ford cargo truck wiring diagrams. Cargo abs asr system wiring diagram. Home » ford manuals » 1998 ford contour » manual viewer. Cargo engine management system schematics. Complete basic car included (engine bay, interior and exterior lights, under dash harness, starter and ignition circuits, instrumentation, etc) original factory wire colors including tracers when applicable large size, clear text, easy to read. You create your projects just like drawing a. Mustang spark plug wires ebay. A 1998 ford contour 2.5 liter engine vacuum hose routing diagram can be obtained from most ford dealerships.
Ardunio Relay : Amazon Com Tolako 5v Relay Module 5v Indicator Light Led 1 Channel Relay Module For Arduino Arm Pic Avr Mcu Computers Accessories / A relay accomplishes this by using the 5v outputted from an arduino pin to energize the electromagnet. . In the past, i used to build a circuit just like the above. Controlling a relay module with the arduino is as simple as controlling any other output as we'll see there are other relay modules that are powered using 3.3v, which is ideal for esp32, esp8266, and. First we will control a simple led then we will control a light bulb using it. * a relay basically allows a relatively low voltage to easily control higher power circuits. The ratings are usually printed on the relay case. Unfortunately, you can't as the arduino operates at 5v which means it can't control these higher however, with the help of a relay module to switch the high voltage, you can now use the arduino to. A relay accomplishes this by usi...
Sea Ray Relays / Cards Complete Day One Of Multi Events At Sea Ray Relays University Of Louisville Athletics / With 8' 6 (2.59 m) beam, the 26' 7 (8.10 m) loa sundancer can be towed. . Sell your sea ray fast with a free photo advert. View & download of more than 97 sea ray pdf user manuals, service manuals, operating guides. The sea ray® sdx® is the floating epitome of time well spent. Lietuvos ieties metikÄ—s pergalÄ— jav (1). It currently operates as part of the brunswick boat group, a division of brunswick corporation. You appear to be blocking ads. 1991 sea ray boats values, specs and prices. Sea ray boats is an american manufacturer that produces recreational motorboats. (284 l) of fuel, sea ray's 260 sundancer will take you almost anywhere you want to cruise, or at least anywhere you can drive: Sea ray boats, knoxville, tennessee. Babits Inches Closer To Emu Pole Vau...
2004 Vw 1 8T Engine Diagram - 2004 Audi A4 1 8t Engine Diagram Wiring Diagrams Blue Metal Blue Metal Alcuoredeldiabete It - Get the best deals on complete engines for 2004 volkswagen passat when you shop the largest online selection at ebay.com. . Eh, didn't have any part numbers or all of that lovely crap, plus can't find a decent vac diagram. About the mk4 1.8t engine. 2004 vw passat 1.8t o2 sensor wiring diagram 18.09.2018 18.09.2018 4 comments on 2004 vw passat 1.8t o2 sensor wiring diagram so i put in a wideband gauge and was trying to find the color schematic for the oe wideband sensors turns out can't find anywhere on the web. 1781 cc compression ratio 9.3:1 Diagram 1 8t wiring full version hd quality panelsetc comprensivomaglieold it. Vac/cooling hose diagrams for 1.8t; Vw 1 8t vacuum diagram furthermore watch also 1 8t wastegate location as well as watch as well as audi tt engine diagram in addition volkswagen sharan 2 0 specs and images along ...
Komentar
Posting Komentar